U poslednje vreme, uvođenje elektromotornih pogona za otvaranje i zatvaranje prozora postaje sveprisutna praksa u savremenom građevinskom inženjeringu. Ova inovacija nudi niz prednosti. Prvo, omogućava precizno i konzistentno upravljanje pozicijom prozora, što je od ključne važnosti u objektima gde je kontrola mikroklime imperativ. Drugo, sistem je posebno koristan za objekte sa visokom energetskom efikasnošću, jer omogućava automatsku regulaciju ventilacije prema spoljnim uslovima, što može rezultirati značajnim energetskim uštedama. Takođe, elektromotorni pogoni smanjuju potrebu za ručnim upravljanjem, što je veoma bitno za pristupačnost osoba sa smanjenim mogućnostima kretanja. Kako se tehnološki trendovi razvijaju, elektromotorni pogoni za prozore postavljaju se kao neizbežni standard u arhitektonskim i građevinskim rešenjima.
Predstavljamo vam elektromotor GEZE EOL N
NAPOMENA: pre montaže i puštanja u rad, Investitor, montažer i električar treba da pročitaju i upoznaju se sa kompletnim sadržajem ovog uputstva.
Ovo uputstvo je sastavni deo isporuke i mora se čuvati tokom perioda trajanja i korišćenja motora.
Proizvođač nema nikakvu odgovornost u slučajevima povređivanja, ukoliko se montažer i korisnik ne pridržavaju svih instrukcija iz navedenog uputstva.
Montažu motora može da izvrši svaka osoba čije stručno i tehničko znanje ispunjavaju zahteve propisane zakonima važećim u RS.
OZNAKA „CE“ ZNAKA NA MOTORU
Motor ima “CE” sertifikat.
Motor ima nalepnicu dimenzija : L= 36mm- H= 50 mm. Na nalepnici se nalaze sledeći podaci:
•Logo i adresa proizvođača,
•Tip i model motora,
•Napon napajanja, struja, (V-A)
•Tip servisa S (min),
•Potrošnja električne energije P(W),
•Sila potiska i privlačenje F (N),
•Brzina kretanja lanca bez opterećenja (mm/s),
•Stepen zaštite (IP),
•Simbol dvostruke izolacije (samo za model C20/230 V),
•CE znak,
•Serijski broj,
Godina proizvodnje. Napomena: Skraćenica S2 označava trajanje dužine rada pod punim opterećenjem.
Na primer. S2 60min
TEHNIČKE KARAKTERISTIKE
TABELA 1 – Tehničke karakteristike motora EOL N
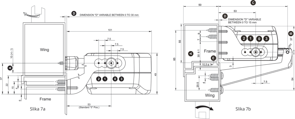
Legenda na crtežu :
1. Brzo rastavljiva spojnica,
2. Indikator bočne strane spojnice,
3. Spojnica za tip ugradnje na prozore obrtne oko donje horizontalne osovine, otvaranje „ka unutra“ ,
4. Prekidač za podešavanje hoda lanca I=200 mm i II=380 mm, (pozicija prekidača),
5. Prihvatni nosač za postavljanje motora na ram prozora,
6. Motor sa lancem,
7. Podesivi kraj na lancu motora,
8. Vijak za podešavanje na lancu motora,
9. Mrežni (napojni) kabl.
Napomene:
(*1) Za detaljnije objašnjenje montaže prihvatnika, pogledati sliku 7,
(2*) Rastojanje motora od šarki prozora važi samo za opciju sa maksimalnim hodom lanca od 380 mm,
(*3) Preciznost podešavanja krajnje pozicije iznosi +/- 10 mm,
(*4) Vreme određeno prema EN 60034,
(*5) Motor ima „buzzer“ koji emituje zvučni „beep“ sve dok je motor na napajanju. Ostale informacije možete pročitati u poglavlju 5.6 Uputstva za montažu i korišćenje motora EOL N.
FORMULE ZA IZRAČUNAVANJE POTREBNE SILE
Slika 3 – Krovni prozori i kupole za prirodnu ventilaciju
P = težina svih pokretnih delova prozora ili kupole, (N)
F = Potrebna sila za otvaranje ili zatvaranje prozora / kupole, (N)
F = 0.54 P
Slika 4
Situacija prozora koji se otvara oko gornje horizontalne osovine „u polje“ (A)
Situacija prozora koji se otvara oko donje horizontalne osovine „ka unutra“ (B)
F = Sila potrebna za otvaranje / zatvaranje prozora (N),
P = Težina svih pokretnih delova prozora (N),
C = Dužina lanca, predviđena širina otvaranja prozora (mm),
H = Visina krila prozora (samo pokretnog dela) (mm)
F = (0.54 x P) x (C / H)
Napomena: Navedene formule koristiti samo kao „grubu“ procenu potrebnih sila za otvaranje i zatvaranje prozora. Proračun ne obuhvata uticaje spoljašnje sredine, tako da se proračun može smatrati samo grubom aproksimacijom traženog rešenja. Za tačniji proračun konsultovati GEZE prodajni tim, koji za proračun motora koristi GEZE program WinCalc.
